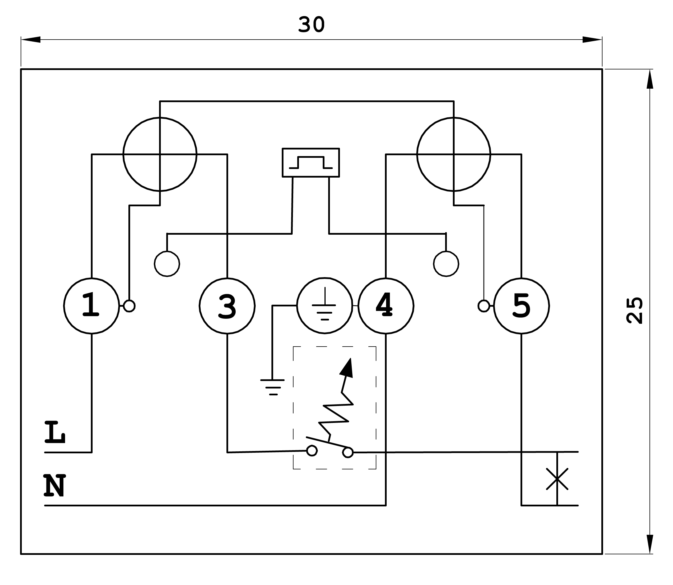
FA14AI2E-1 meter type is single phase static meter for active energy with register drum, Class 1.0 , 230V, 5(40)A, 50 Hz, and equipped with two sensor
Equipped with 2 sensors, meter is able to detect tampering, base on SPLN D3.005-1:2008.
When tamper or energy abuse occurs, the meter still measures normally and measures accurately according to class 1.0 . The Yellow LED is indicator of tampering
* Compliance with SPLN D3.005-1:2008
* Wiring : 1 Phase 2 wire
* Accuracy Class : 1.0
* Nominal voltage (Un) : 230V
* Operating range : 0.7 ~ 1.2 Un
* Power consumption : < 2w, <10VA
* 5(40)A
* 50 Hz
* Drum Register
* 6 digits with 1 decimal
* 3200 imp/kWh
* 20 mA PF 1.0
* Dual sensing
* Reversed wiring
* Leakage Current
* Short Circuit
* Current Injection
* External Magnetic Induction
* Can measure the harmonic
* Sampling rate: 28 KHz